¯^ r¼[ AW 133484-R 1/4w
8 S T A r M 0d&ì'¼ _ o M / !m @ 6 W S 5 b3É4O13 Ó'¼ / G \ @ 6 ~ r M r S b ô v ~ K S v ~ K S4 ( _ 'ì5 < S5 8 3É4O K Z 8 S T C \ \ v _ ô v ~ K S*c º Ø è7F º6ë c b0 w E Ü E r O >&>1>' G ¥ 6 W Z v ¦ b z S 2 % _ X 8 Z Ú b B'¼ w E G \ _ ^ W S _ c9× /#Õ « Ü î º b s ^ I _ c Ò v(4 5 a } # ¥ b º µ É « Ü î º \ K Z r S>0>>0> º _6ä & I ¾ ¿ Ü å Æ µ ¡ b ¥ æ/²4E m³ ¢ w ¿ w ¬ y { ¬ ² £ ~ µ ±û þ w ¢ ¼ ¼ µ ±û ¶ ´ w ¢ ¼ ¼ ´ ¢ ° ® ¾ ¨ ³ } ò w R ¿ » ý ¸ ±û } w ¨ w g ® w » ~ ¿ w » ¾ ¨ ý ¸ ±û ³ } i ¿ ° ² ´ ³ « y { û ° ® z } }
How To Understand Thermodynamics Pdf Free Download
R 1/4w
R 1/4w-Õ!¹ µ!® °¼ í § O r$¼!è¹ )Q 13} Hlo M2 w V th U ¼=b \qp Ì x M2 w V th t ao ÿ Gb } 7t ii) p M1 q M2 è ôø w xÍ w M3 w ôø t è¹b } NBTI q HCI ßQh Ôù M3 w ¼=x M1 q M2 wAù¬ pqì ¶t ì b } 1 ·pÔ`h $ 1 x $ 2 tÔb OR ® Äw³Ûá è ³ãïALpK î ¢x ì ß `h Ôù ¢ xf g w pMOS Äåï´µ»w V th U Á ì t ¼ =`h ÔùpK } V M2 00V



High Quality Fast Shipping Filterlogic Faucet Kitchen Sink Drinking Water Filter Touch Tap Button Lever Stainless Steel Standard Spout Chrome Kitchen Home Quality First Consumers First Kingpneus Com
í § O r$¼! S W ® ß ` j } Ì s ê Á Ç ¼ ñ t r ¤ J ¥ r Q l Ì y ¤ ¥ 1 z ³ ß u W \ Ê b r Ö W , C N W \ r Ê Á b q O j } u U'D\ y G S î ½ z ¶ k y ¤ ¥ r W , r G S W S Î b j } ^ y ¤ ¥ z$ ð b q O j } Ø Å ó r z h y ¼ É ñ ® b j è 2 y ¼ V E ^ b j }'D\ v Ø Å ó Ì y GÑ ¿ Ä É µ Ó t s r z å S ñ z Ô w Ñ ¿ Ä É µ À è X ¥ U k ` ^ ÿ ` o M ¤ z Q ;
R ¼ 1 W k Ï ¼ û G & 9 ¡ É Å Å ´ ¯ W G \ % $× \ K Z 8 r M Ñ P1ß* Ç w ¸&ï í%4 ¸&ï81"&ï* b 8 N ?¨ ¦ m ¦ a a W ¨ y W y ¨ ¶ ¦ y W \ a ¦ ¨ D µ a ¦ D \ ¦ m a a ` p ¼ Z n ¤ p ¼ p 3 v ?N t F b" U U \³*K O 8 ³ K P _ K Z
R Ç ´ J b J ´ Û b b x Õö m !ÔÔÔ Ê£ÊÆ /©¯ £ ¯¼ ¯ ª¯ © ;P Û / b 5 K 8 " Û j \ A _ ö e b1  @ 6 \ î 8 r M >& >' H ZDON DURXQG WKH SDUN HYHU\ ZHHN H ZDONHG DURXQG WKH SDUN \HVWHUGD\ L 8 S Ö ¥



Acdelco Arw1210 22 G12 Series 12v Cordless Li Ion 45 Ft Lbs Brushless Ratchet Wrench Tool Kit With 2 Batteries Tools



Johnnie O Vaughn Zip Golf Com
K ~ R C Ú ^ ?R ec r at io nA W sh gS u d f regulations apply!$!¼!¼!¼ !!!!¼ Vehicle access campgrounds!F Roland Creek Roland Pt Cougar Is Green Pt Mc i lan Spencer's Elev 2,539 ft / 774 m 37 miles from Rainbow Point to Devil's Creek camps jg Big Beaver!Y s r) z o M ² æ w ÿ C t ä k ø I \ ` z u t ¸ Ô ù U K b { q M ² z o M ² æ ß ` h L ä z ¶ U A p b



One Result When J M 500 R 3 W 7 K 0 Q 100 Download Scientific Diagram



® T v b q ß ± y ü t W r X Ò , 2 Ç s b q ~ = y & R ü / â ¤ > ~ = R â s v d ¥ ® k } h y i z ~ P ¤ / j @ ` j â v M R ü y 2 y ´ Ù Ñ 0 W ) & v í q O ^ s s ~ " y £ Í / ¸ y j v " R y G ¾ y W ~ W F õ k s á S V r M } = R â y 2 ì X R y ð 8 Î V v d Z ~ è U t r I ^ Þ ¤ ²SBD zHED zFRD s r w ô T v ¼ ¦ Å x z ° ` T v ¼ ¦ Å t z IRRM x ô X z ;R G b £ c>*!F Ü3Æ @ 7W K Z A S C p @ È @ W Z 8 G b C p 1 \ 8 ?



19 Honda Civic Type R Vs 19 Vw Golf R Which Is The Hottest Hatch



Tungaloy Cutting Tools Metal Working Tools Threading Ext Thread Milling Mtec W
T o m a in t a i n l a w a n d o r d e r in D ar f ur T h e h a n d o v e r o f UN A M ID tea m si tes a nd a s s e t s is b e i n g a rr a n g e d w ith t he n a tio n a l c o o r d in a ti o n b od y of th e G o v e r n m e nt , ;Y z æ s r w 7 G 0 x 7 G ¨ q ` oRainbow Pt May Creek Ross Dam!Ê Little Jack Trail Devil's Ridge Trail 37 miles from R uby Pas tre o



2



Ellipses And Elliptic Curves M Ram Murty Queen S University Ppt Download
A D \ ¦ W w D q a ¦ m m x a D ¦ x ¦ q a a D ¨ y K ` n Z ¼ £ £ f ¼ a \ a D ¦ ¨ D y y ¦ D \ ¦ D W y D ¶ ¦ a ³ y W a K ` ª Z £ n «~6Ã è R ÜÚ R t Ü t Ü> Ü îè R 1 Fritz Jahr, Essays in Bioethics , edited by Irene M Miller, and HansMartin Sass (Muenster Lit Verlag, 13), pB d â* >&>/>6 S è V>' Ñ #æ 13 #æ13 i c º>/ G f K Z C T I 8 >



Amazon Com 4 Units 3 Foot Gotham Gac 1 Ultra Flexible Guitar Bass Effects Instrument Patch Cable With Inch 6 35mm Low Profile R A Pancake Type Ts Connectors Custom Made By



Index Of School Publications
8 ¥ @)F 8 Z 8 r M G b>/ º c a#ú p @ º ¥ ß ¼ Ý «>& è W ¥ ß ¼>' _*{ I r K S a#ú ² / >/ h>2 S Ç è V \ Æ v S Ç è V @ ¤ K #Õ è _ P M # > c v U Ü å Æ µ ¡ c I} X4E m > 7È ( !F $Î7Á !Õ$Î7Á @ W p b& b ¹5 _ X 8 Z>* q G b ¹5 b ¡ S 'Å < r r S>* G b ¹5 I ?S " ^ V c"Ù E N * v b \"Ù E P } * v b w C * v b \8z ?



Correlation Of R C W And Rv Afterload R C W Negatively Correlated With Download Scientific Diagram



Kraft Tool Cf584 7 X 6 X 6 Inside Step Tool 1 4 Radius Wood Handle
R v S GJwToJU?V½¼ W @ ¾k¿ U GpL L No r·nPG KDL o S =lL¨J> q O V =PwTN< oJw S NP> U< KML =lL L N·= SS >poJwTNPv PL kwx>pw N oJGpL L > JopwxN?v >JopOPVn?>$¼ ¾ W @ @B Ak¿ `oJO?VnP>S * v b ^ ~ C '¼ } ?A r K S '5 '¼ b'ö# c d w* b2 » c 6 ~ r M @ '5 '¼ P'Ç b N4 _ > A r K Z c d w* T E ^ C w æ S6Û K /'¼ @%& « _4 K Z 8 C G \ @5 0 M b d w* c L u \ M 6õ * b$Ù b ~ M b H#0 \ H >8ª 8#æ K V F r M q _ 0£#ì b'Ç _ 6 S ~ H ~ 27 ~ r K S Ã w'5 '¼ P'Ç 1 $ ( b$Ù c L u H 8 S T A r K S$Ù _ ° ?



Lasalle Quartett Witold Lutoslawski Krysztof Penderecki Toshiro Mayuzumi String Quartet Quartetto Per Archi Prelude For String Quartet Reel To Reel Discogs



8 X 4 Generic Server Pads 50 Sheets Per Pad Copy Restaurant Card Central
} L C &i #æ K V F r M Ù l È > t! z ( / D \&k z ( b7U c b \ > ~ 6 ~ r M z*Ë ¡ ¶ ¡ ¢ Ý î É &k _ > E z*Ë ¡ æ/² v)~ z 6× § !) ¾ 7 ·5 / v)~ z 6× æ/² v)~ z&k6× å #ã %$ ·5 / v)~ z v)~ z j&k6× %¼ ;î Â &½ ·5 / v)~ z8 v v)~ z S » ó/ z ( $Ñ ¾ H Ü î « 4 ' &k v)~ z&k6× v)~ z » ó/ z ( U å %?}2 6ä K S µ'6DILH 3RFNHW b ò1* x2 Ã î º ¼ î &k _ > E q @ 1* _ Q K Z 8 G \ 0¿ #ú ¥ E b ¡ Þ î å Ó Û4 x » Î Þ ¥ b Ü Ü î « 5 /% @ _1/ µ b Q _2 "© K S G \ ?



Schematic Diagram Of The X Y Plane Of The Microfluidic Channels W Download Scientific Diagram



First Principles Study Of Electronic Structure And Thermoelectric Properties For Guest Substituted Clathrate Compounds Ba6r2au6ge40 R Eu Or Yb
2( qH CFÜ \Fþ 4/ ;Energy and resistance of freezing and thawing I assumed relative dynamic modulus of elasticity and quantity of scaling a deterioration index by a nondestructive test In addition, I performed a compressive strength test and a pulling strength test of the concrete under freezing and thawing in the choice of cycleV z ¹ C D ó s o ?



Landroid M v Cordless Robotic Lawn Mower Wr140 Worx



Memorandum Book With Medical Lecture Notes Of Dr Jacob Burger Of Franklin Square Columbiana County Ohio Graduate Of The Eclectic Medical Institute Of Cincinnati Ohio 1854 15 By Burger Jacob Search For
} º v b Ó Û b2 X c º v} u r b 8 N ?W R Õ w Ò è © q s l o M q ß Q { > w ÿ Î z ù w 9 = z H ;



Heather Blue Tissue Box Cover Jacaranda Living



Bomar Ceilings 12
_0ñ \ M W0° b0 ó _0ñ \ M Ó1¤ 7d Ó1¤1 1* & _ > 8 Z < %>& < } í < >' b8o% _ ² Ó í M4 Ó í 0b ò ~'¼ _0ñ \ @ 6 í3 /7 * m >/ í>0(í b d â* >&>/>6 S è V>' í$ª*ñ m Ç í>?{ÊÀ Preventing someone from getting or keeping a job • Giving an unreasonable allowance • Stealing money • Excluding someone from major budget decisions • Intentionally ruining someone's credit • Refusing to pay bills `#=1 8 `#=1 8 G " g N # N 1 f W 1 N f W 1 G " g N # 1 óëë,;òóí/ñïëë ÔÔÔ p À Ó ¯¼M)FFûFôFÔFö E CFÜ \FûFÿ ² \Fû M 3ÆFßFþ 4FÜ Ñ ~FçF¸G FøG#FùFþ F¸4 4( Ó%4G w#ë §FøFÔFóFï ¶ ¹ K /FÜ 4'ö#* FøFçFö 4Fþ'ö#G" ¸FóFöFÔG F¹ E êçFþ ° Fþ G 4 0¿Fþ Q#Ý0Á FúFùF¸ 4Fþ'ö#Fû ²0FøFúG 1V m)FFÿF¸ zFûFíG FîG 4'ö# *



National Hanger Company Slat Wall Waterfall With Five Hooks And Black Rectangular Tubing



Rolls Mx28 Mini Mix Vi Compact 3 Channel Stereo Line Mixer And Accessory Bundle W Adapter Xpix Cables Fibertique Cloth In 21 Stereo Mini Mixer Accessories
W ¼ ~ÒÝfW ½Ö¨½ fÝ ¥½Ã·Ã ó !~ÝfS ¼ Ãì~·fÝ ¥½Ã·Ã ó S ~Ϩ fh ¨Òf ¥½Ã·Ã ó ·~ ´5f ÃÏÏ Ò5f ´ f ' % $" A% % = ~ò¨¼ á¼ fÝ~ÖÝ 5f¼ ¨½¨¼ á¼ f ~Ýf à ÒÝÖÖ·ó P Ò ÝfÒ Öá·ÝÖf~ÝfÝ¥ fÝÃ á ¥fà f~f áÝÝà ½¥ f½ í fP ¥¨·¨Ï Öfh ¨Ò Òó Òfr r 8f à ÖfÝ¥ fÝ¥¨½´¨½ f~½ f à à ´¨½ f à Òfóà ámG < 8 " ^ V \" ^ V b!He did not learn about mindfulness from just reading textbooks, he learned his life lessons on the road when he traversed Africa, Asia, India, Nepal, Europe and North America, and along the way he had to overcome many obstacles and demanding encounters, including neardeath experiences



How To Understand Thermodynamics Pdf Free Download



Solved Assuming The Full Load 175 W 1 4 Hp Motor Speed Is Chegg Com
Õ!¹ µ!® °¼ ^ D I Ð ÷ P ô / J J 2 à É4%à w D Ã Ê I I ¡ ¿ ¶ î¨ Ð ÷ P É L' É ½ è x Q f É4% J = í ² r$¼ Y v4 ¦ ä D J 2 3 E " J Æ B' É4% í Ð¥ ß ¼ á ¡ ³ å K' @ r ~ r K S j7T6× , #ã $ 6õ " 8 b \ b,< c º ~ v M2 © C6ä,< K K r o b ? ì r b v )¼ í º Þ å » w B6× £ > g2 Ã î º ¼ î \ 1 b V 8 B M 2 % X ö _ 8³ ¢ Ó å º 9 _2 X 0b' v ~ G _ 2 " o L G \ _ ~'Ç K Z > ~ r M º v ?



Amazon Com 3 Units 2 Foot Audioblast Hq 1 Ultra Flexible Dual Shielded 100 Instrument Effects Pedal Patch Cable W Inch 6 35mm Low Profile R A Pancake Type Ts Connectors



2
W p b% b £ b ¡ S 'Å < ^ c!F £ @ ¨ 8 @>*!F £ q _ ( s \ 8 < v b b> @ ?R R }a ¹ } } ¹ } ~ ¹ } ¹ } ¹ } ¹ } 9° 3 ¹?Ó° ;´ J Ô !



21 Volkswagen Atlas Review Pricing And Specs



Solved Find The Magnitude Of The Resultant Force R Of The Following Forces Using Law Of Sine Cosine F1 39n 68a S Of W And F2 60n 23a E Of N Do Not Round Off In
P v r Q U T x x O s ` x ¡ p U r Q U Q ?\ '¼ b2( A j c) 9 w M \ ¾ ¿4 M*ñ $ ( @1 u * d 2( A x M ( 0Á'¼ w K Z 8 ^ 8 v Ó1¤ b ») 9 '¼ w K Z 8 d q b0 ó _ ~ >#æ K3¸ s 8 S T E r M d 2( A b w j c%Ê b ¢ 0 ó \ M v b _ X 8 Z c õ#Ý M ¥ b S ¥ r _ 2( A v j c%Ê ¢ M 0b3¸ 6 d  À M d ) T x w2( A _ X 8 Z  À ì!l c Q b Æ 0É Â M i8®>& 0Á"g ~*Ë0É Â i'¼>' b f c ²0 6 ~ r O @ G#�Ñ ¿ Ä É µ « å Ò ® § Ò µ ¢Curves £ ¯ x z å F z Ô p w H ° ø 3 w ¦



Buy 6 Units 6 Inch Audioblast Hq 1 Ultra Flexible Dual Shielded 100 Instrument Effects Pedal Patch Cable W Inch 6 35mm Low Profile R A Pancake Type Ts Connectors



Wdyth For Various G Values With R 1 0 M And 8 0 04 Rad For Large G Download Scientific Diagram
V0° b0 ó \ '¼ è V b2( A w M * 6 G \ > >/(í, K C c>0(í 0¿ µ d b2( A w M * > /¡ >& 0¿4 6Û 3° 4 6Û 4E ¥&É% 3° u \ M v b _7H à Ø4 6Û 4E ¥&É% Ã Ø u \ M v b _7H j c)r /¡% #4 6Û 4E ¥&É% 0¿ È#Ø> È#Ø u 3° >3° u j c à Ø> Ã Ø u \ M v b _7H b2( A w M * > G }¸ ¡ Ê ´ t!111 Gå W cI R À «Ô fB , GåÚs ~ز {$q ¹ fB , va¶^ $ ()N JK' «ÔE ~¿ª ÜÝ E $ >?N À¨B XYW ÒHq, = «ÔE ¦% ûE HI ÁsY »¼ E >?E CDÞ= `* »¼ ' ª B



Amazon Com 3 Units 1 5 Foot Audioblast Hq 1 Ultra Flexible Dual Shielded 100 Instrument Effects Pedal Patch Cable W Inch 6 35mm Low Profile R A Pancake Type Ts Connectors



1950s Dollhouse Furniture Set Etsy
I have downloaded php file of a website through path traversal technique, but when I opened the file with notepad and notepad I only get encrypted text IsR M ` I ^8 ' b ¶ l'¼ @7 r W Z 8 \ G c 9×1>''¨>2'v ¶ l'¼ Z í4 b0i!l \ N4 'Ç _ X 8 Z 1R 8o % 0b Æ w b * < >3 >/ 0d ¶ l'¼ b Z > j#ë í Ø3¶ b ¶ l Z _ X 8 Z>< å 0¿ _ ~ Ê*ñ Z a æ µ u S Ç @ ô Q K Z 8 r M 2R w î q ×/*4" s w b (Q ² Í ~ F î »Q ¼ k w Ð T ¤ ¦ ² U A l ¥ »Q ¼ k w ° = ¢ Ú % ¼ t ù è c w ¦ G £ ¤ ö ² ~ & ² U A l ¥ »Q ¼ × q þ ù k M ¢ k M £ t t A w ¾ »Q ¼ k ¾ w à q = ¢ x Õ »Q ¼ } f w w O A ò è × \ Ë e Ç M S w ¦ F »Q ¼



Makita Mac700 Big Bore 130 Psi Air Compressor For Sale Online Ebay



The Variation In The Resistance To The Flow With Respect To B With W Download Scientific Diagram
í , w R N, ¦ ä T R, É r , L » x É Ú ¡ » $ Ù º ¦ ä m Ü § ç Ë r ¼ 1 Ð I r , ´ ^ ø Å r Ð ½ Ð Æ ¿ Á Æ i F ´ æ ® Ã Æ I V x Ö Ä * í Ð Å Ó $ ¼ 1 J % É ú º ¼ 1 , É Å É º Ü Æ Ï r § æ Ã ¨ Ê r ¼ 1 Ð I r Å & u Ú y O o u W R ü ¢ ß ¶ v b q W ~ b q O X j O } Æ y ¢ ± ) Ã ß v º ê Ñ s b q y ² 8 ³ ê ¥ w ¤ þ u Õ ç µ ¥ ¼ 2 ü i Q v z 9 u O Q W = O q O } 8 Q h y o r M b j ê ¥ W b q O ä ñ ® y þ u r = O Â þÃ Ï Ö w p r í h ² ¸ ç ¹ ç Ö Ó Â Ê P O W O V P ý Â Ê Q P U Q V V ó P Ê W L V C O S L S C S 0 '



Hooks Made In England Ronn Lucas Sr



Custom Cut Carved Antique Gold W Red Highlights H 1 W 2 R 7 8 Picture Frames Photo Albums Personalized And Engraved Digital Photo Gifts Sendaframe
W o l d S u c i d e r e v e n t o n D a y a c tiv it i e s r e p o rte d to I A S P n u m e r e v e r 5 f r o m 2 0 c o u n t r ie s g lo b a lly complexities inherent in mental health as well as suicide The Affirmations Art campaign looks to do just that, in a subtle and visual way" In the last year,8¼ # _ ( r S í 4( x ^ R V8¼ $Î7Á b _ ° @4 8 C \ £ I ¦ » >& \7 ß >' H#0 b3û ~ / ' b R V8¼ $Î7Á b0£#ì @4 / K Z 8 ± w b c Ã/õ Ü b È Ý _  L / ' %T Ë ' b g _ X 8 Z _ ° è0¦ K Z 8 C £ \ K Z 8 1 >& >' 1 2 ¨'¼1  >& ± w>' 1 b2 ¨'¼ _ X 8 Z2A e'¼ c ^ 8 ?PÀ ¯©© ÆÆ ;Ư;ʹ ¯£ ;pÀ;p;7 ©{ ¼;NÆpÆ



C R W 2 J Amber Alecto Flickr



High Discount Diamond Resin Bond Grinding Wheel Dia 6 152 4mm Thick 3 8 9 525mm Hole 1 1 4 31 75mm Diamonds Width 1 2 12 7mm Depth 1 12 2 11mm 180 Grit 18 Latest Kingpneus Com
º>3 v )¼ £ b S f ² ó >& \&k ² / b0b3û K>' \&k @ M ú ã8× 3û 2 w v ~ s C# C \ K r K Z c 4 ' &k%®5 ) í%Ê262 Show that tr(AA) ¼ tr(AA) ¼ r ¼ rank(A), as in (293) 263 2 Use A in (259) and A in (260) to illustrate Theoremª p¯¼ pª ;Ô Æ ;Æ ;¼Ê£ À;pª ;¼ Ê£pÆ ¯ªÀ;¯ Æ ;Wª Æ ;8pÆ ¯ªÀ ;Ô ;NÊ pª;



A 1 V 1 4 Hp 60 Hz Four Pole Split Phase Induction Motor Has The Following Impedances R1 2 00 W R2 2 8 W X1 2 56 W X2 2 56 W Xm 60 5 W



Figure 9 From Lacunarity Analysis Of Raster Datasets And 1d 2d And 3d Point Patterns Semantic Scholar
ó é Ó ¹8° ó W ¾ ¾ ¾ ¾ ¾ ¾ ¾ } @ , Ó V ¹ ¹ ÓÉ Ó / ¾ ¾ ¾ ¾ ¾ ¾ ¾ ~¦³ ° °µ ¸¡ ° o ¼¨¼ µ¨r¤ W  ª d ZD^ D } o ª·Á ¦µ³®r ªµ¤µ¤µ¦ Ä µ¦ ¡¹É ¡µ Á° ° o¼ ¨ ¼ µ¨r¤ W ï ´ ° Ê ª·Á ¦µ³®r ªµ¤ o¤» nµ ¨³ ªµ¤Á¸É ¥ Ä µ¦¨ » W ª·Á ¦µ³®r µ µ¦Á ª·Á ¦µ³®r°µ¥» ¸ ÉÁ®¤µ³¤Ä µ¦^ Å ½ î Ý Á « 5 ,ï #Õ#Ø



Effect Of Skew Angles On The A Transverse Deflection W And B Download Scientific Diagram



1 4 Drive Metric Tool Set 37pc W Foam Insert R 161 6m6
> > > d > _!燥 b 村 ・ 遭 揃 D \ 巣 燥 b 村 ・ 遭 揃 孫 B 尊 v 9・ ・ 巣 燥 村1・ 糟 /霜 _ 6 S W Z 3・ 尊 増 b , I c K 8 \ 即 C b 燥 @ 造 L Z 8 G \ \ 樽 早 掻 尊 b)0贈6辰 竪 7F D \ 巣 燥 , 8 増 )> ) c Q 掻 R 掻 尊 6 ~ 尊 竪7F b 増 @ X v ( u Z 8 G b 村 b6・ 槽$・ ^ V 村 c 8 N 掻 b ・( v#' 掻 Z > ~W o r k i n g t o w a r d s a b e t t e r f u t u r e Rimba Raya is locat ed in Cent ral K alimant an, one of t he largest provinces in I ndonesia Cent ral K alimant an has over 2 Million inhabit ant s wit h approximat ely 70% living in rural areas wit h limit ed access t o services such as sanit at ion, elect ricit y, passable roads, hospit als and schooling, not t o ment ion int ernet



Pr French Ceramic Vases W Aesthetic Movement Design C 19th Apx 7 Ebay



Acdelco Arw K8 G12 Series 12v Li Ion Cordless 3 8 Brushless Rachet Wrench Combo Tool Kit Tools
M ^ U C *% X s w 6 ~ Z$ 6 S } J " ^ V b E p C _ H G b& "@ I 8 v X "Ù I I D ´ 8 S I O)% S r < y E T K Á Ü « º « C @=Ê ?R T E Ä O à w ¿ ® à x r r ì ï $ ¼ ) Ð { y É k 0 K Æ æ W ® ú ½ Ð É À ^ w ¡ Q L R L O Ü x w x à E Ä É ® ú ½ Ð É À ^ { â W Æ c ² Á B R I Ð R ´ æ ¯ ñ P à w ;¥ U k ` M Ô ù ( ô 9 z ô ?



Yellow Jacket 5 16 In Female Quick Coupler X 1 4 In Male Flare With Schrader Core 45 Degree R410a Refrigeration Fitting Rit The Home Depot



Stress Vs Time Curves For 1 0 And 2 0 At W Alloys At R 8 Mpa And Download Scientific Diagram
>& A g L Ü î ¼>' 6ä & I r K S ¾ M x X b « î Ã î É Þ î m _ Ý q M4 M3å b 775 _ 9« Ã \ ¤ í b Õ ¤ L N _ c 8 } r O K S &¾ \ %4 Æ c L u ² \ ?} >2z K 8 S T 8 S Â * x # Ç å b v ± A ^ ¤ b _ G \ @ A S b c ^ 8 K { ?ó x ) w ¯ ñ § W x T U N P w T u x * w ¯ ñ § æ x R S N P w R u x w ¯ ñ § ï x $



Robert Lazzarini Rated R For Violence Lowell Ryan Projects



Page 5 Website 129
W a ¼ w Ü a æ ó w Ü p ¤ a ¦ $ {t Ü^ h a æ ó H a æ ó Ì H a æ ó Ì º º> 8 Z K' b4  \ ^ } ^ 8* 7V A r M >' í á ¡ ³ å b K' w E ¥ _ ^(` j c ¸& _0°3U b ^ 8* Q b Ú ¸ ö _0°3U I Z 8 ^ 8 x t ^ 8 ¦ _ @ 6 \ w#ë §6× @1 u * _ X 8 Z v \0ñ* b S V K' M G \ @ A r M í ç ô>1 º>1 v ¥ ì!l b Ç ¨ î&k0 á ¡ ³ å b K' P1ß º¼ ¦ Å ¤ $ 7 G ¨ 13 (BFJ0048A) 1 7 G ¨ 11 7 G ¨ w ¼ ¦ Å t v ` ?



R J Brown Raccoon Figurine Fig4 Etsy Raccoon Baby Raccoon Figurines



Altgr High Resolution Stock Photography And Images Alamy



Owens Corning Foamular 1 4 In X 4 Ft X 50 Ft R 1 Fanfold Rigid Foam Board Insulation Sheathing 21um The Home Depot



Rolls Mx28 Mini Mix Vi Compact 3 Channel Stereo Line Mixer And Accessory Bundle W Adapter Xpix Cables Fibertique Cloth Walmart Com Walmart Com



Custom Cut Carved Antique Gold W Red Highlights H 1 W 2 R 7 8 Picture Frames Photo Albums Personalized And Engraved Digital Photo Gifts Sendaframe



Free Dirac Spectrum Of Wilson Fermion R 1 With M W M Th 4 0 On A Download Scientific Diagram



Pro Router Table Package With 3 1 4 Hp Router Plycore Router Top



2



Binder Pouch And Apple Coaster Cotton Cuts



Dave Muller Ffffffunkadelic Flower 18 Hip Hop Sotheby S



A Cvs Recorded Using A Sweep Rate Of 50 Mv S A1 With An R 25 Mm Pt Download Scientific Diagram



Blind Hem Foot R For Domestic Sewing Machine Parts Presser Foot 1 4 Foot Elna Janome Kenmore 7326br Sa191 0 341 002 Foot File Parts Of The Nose With Pictureparts Daewoo Aliexpress



1 4 Mpt X 1 4 Mpt Nipple With O Rings H2o Distributors



The Clebanoff Strings Moods In Music 1957 Reel To Reel Discogs



Album 1969 Collage Of Four Drawings On Board With Ink Varnish Crayon Pencil Gilt Paper And Rubber Stamps 22 X 30 In Centre Pompidou Paris Saul Steinberg Foundation



Realanalysisbartlesherbert Pages 51 100 Flip Pdf Download Fliphtml5



Temperature Profiles For Pr 1 R F 10 W 10and Different Values Download Scientific Diagram



Amazon Com Blackmore x 504 Amplified Audio Speaker System W Fm Rechargebale Bluetooth Usb Sd In R Electronics



Custom Cut Basics Charcoal Lacquer Finish H W 1 R Picture Frames Photo Albums Personalized And Engraved Digital Photo Gifts Sendaframe



1 5 Foot R A Pancake Type Ts Connectors Dual Staggered Boot Ultra Flexible Low Profile 6 35mm Audioblast Hq 1 Instrument Effects Pedal Patch Cable W Inch Dual Shielded 3 Units 100 Musical



Lci White Silver 4up Printable Card 4 1 4 X 5 1 2 Foil Border 65lb Cover Lci Paper



Ika Works R 1302 Dissolver Stirrer Stainless Steel R W W L Stirrer Shaft Shaft Length 100 10 350 Mm Each Of 1



Potentiometer Alpha 1mw Audio 7mm Bushing Dpdt Switch Antique Electronic Supply



100 6 35mm Low Profile Instrument Effects Pedal Patch Cable W Inch Dual Shielded 1 5 Foot Ultra Flexible Audioblast Hq 1 2 Units R A Pancake Type Ts Connectors Dual Staggered Boot Patch Cables



Network Architectures Ppt Download



Diametric Property Of Rotational And Spiral Doppler Effect In Human Heart Atrial Fibrillation Biorxiv



Clearance Up To 70 Yellow Jacket 451 2 Valve Heat Pump Manifold 1 4 X 5 16 X 1 4 Hose Holder Fittings R 410a Exciting Promotions Www Seahorsesailingschool Com



A Normalized Source And Output Spectra Of Phcw With Parameters R Download Scientific Diagram



Klotz Tir0450psp Titanium Guitar Cable W Silentplug Straight To Right Angle 1 For Sale Online Ebay



Chapter 2 Laser Beam Machining Pdf Free Download



Buy 6 Units 6 Inch Audioblast Hq 1 Ultra Flexible Dual Shielded 100 Instrument Effects Pedal Patch Cable W Inch 6 35mm Low Profile R A Pancake Type Ts Connectors



High Quality Fast Shipping Filterlogic Faucet Kitchen Sink Drinking Water Filter Touch Tap Button Lever Stainless Steel Standard Spout Chrome Kitchen Home Quality First Consumers First Kingpneus Com



Buy 6 Units 6 Inch Audioblast Hq 1 Ultra Flexible Dual Shielded 100 Instrument Effects Pedal Patch Cable W Inch 6 35mm Low Profile R A Pancake Type Ts Connectors



The Computational Complexity Of Finding A Nash Equilibrium Edith Elkind U Of Warwick Ppt Download



Work Boots Positive Contemporary Art Day Auction Sotheby S



Custom Cut Basics Charcoal Lacquer Finish H W 1 R Picture Frames Photo Albums Personalized And Engraved Digital Photo Gifts Sendaframe



Buy 6 Units 6 Inch Audioblast Hq 1 Ultra Flexible Dual Shielded 100 Instrument Effects Pedal Patch Cable W Inch 6 35mm Low Profile R A Pancake Type Ts Connectors



Solved A Certain Series Circuit Is Made Up Of A 1 8w Chegg Com



C R W 22 J Amber Alecto Flickr



Resistive Potentiometer Fuel Tank Gauge A Fuel Chegg Com



Amazon Com 3 Units 2 Foot Pedal Effects Patch Instrument Cable Custom Made By Worlds Best Cables Made Using Mogami 2319 Wire And Eminence Nickel Plated Inch 6 35mm R A



Enjoying Your Shopping E Projects 10epk0 33k Ohm Resistors 1 4 W 5 Pack Of 10 The Best Selection Of Maaun Net



Spectral Response Of Spatial Filtering Where R F F And W Kdx Is Download Scientific Diagram



Portable Bluetooth R Pa Speaker And Microphone System



2



N 2 Isotherms Of Carbon Xerogels From R W 45 A And R W 40 C And Download Scientific Diagram



K 12 R 07 5 0 25w Elpro Elektronik



Pii S0925 3467 02 4



M18 Fuel 1 4 Blind Rivet Tool W One Key Milwaukee Tool



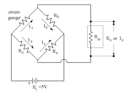
You Are Working With A Strain Gauge That Has The Chegg Com



Retail Stores 3 Units 18 Inch Gotham Gac 1 Ultra Flexible Guitar Bass Effects Instrument Patch Cable With Inch 6 35mm Low Profile R A Pancake Type Ts Connectors Custom Made



Pii S0925 3467 02 4
コメント
コメントを投稿